Бренды
Компания
  • О компании
  • Партнерам
Помощь
  • Доставка и оплата
  • Как оформить заказ
  • Способы оплаты
  • База знаний
Информация
  • Новости
  • Статьи
  • Карта сайта
Контакты
  • Реквизиты
    +7 (800) 100-61-98
    +7 (800) 100-61-98
    E-mail
    Yaroslavl@td-asv.ru
    Адрес
    г. Ярославль, проспект Октября, 89/1 (Пункт выдачи товара на терминале ТК «Возовоз»)
    Режим работы
    Пн - Пт: c 09:00 до 19:00
    Сб: c 10:00 до 14:00
    Сб - Вс: выходной
    ТД
    Комплексное снабжение объектов строительства
    На любой вкус
    Спиральные зажимы
    На любой вкус
    KIWI
    КВТ
    ИНКАБ
    Hyperline
    ОК-кабель
    Связьстройдеталь (ССД)
    Bandimex
    MILLER
    Fujikura
    • Арматура СИП 0,4 кВ
      Арматура СИП 0,4 кВ
      • Корпуса и предохранители
      • Анкерно-поддерживающие зажимы
      • Анкерные кронштейны и крюки
      • Изолированные наконечники и зажимы
      • Крепежные изделия для СИП
      • Плашечные зажимы
      • Ответвительные зажимы
      • Устройства для защиты ВЛИ
      • Аппаратные прессуемые зажимы
      • Клеммники для сетей уличного освещения
      • Кабельные наконечники и зажимы
      • Ограничители перенапряжения
    • Оборудование СИП 6-35 кВ
      Оборудование СИП 6-35 кВ
      • Анкерно-поддерживающие зажимы
      • Ответвительные зажимы
      • Вязка спиральная
      • Разрядники
      • Колпачки
      • Птицезащитные устройства
      • Траверсы ТМ
      • Устройства защиты
      • Разъединители РЛНД
      • Разъединители РЛК
    • Инструмент для монтажа арматуры СИП
      Инструмент для монтажа арматуры СИП
      • Вертлюги монтажные
      • Лебедки ручные для монтажа СИП
      • Монтажные зажимы для СИП
      • Ролики монтажные
      • Чулки монтажные
      • Средства безопасности при работе на высоте
    • Крепления для дорожных знаков
      Крепления для дорожных знаков
    • Изоляторы
      Изоляторы
      • Стеклянные
      • Полимерные
      • Фарфоровые
    • Арматура ВОЛС
      Арматура ВОЛС
      • Узлы крепления для магистральных линий
      • Гасители вибрации
      • Узлы подвески ВОК на линиях РЖД
      • Зажимы для кабеля
      • Сцепная арматура
      • Узлы крепления
      • Спиральные зажимы для ОКСН
    • Компоненты ВОЛС
      Компоненты ВОЛС
      • Аксессуары для оптических кроссов
      • Аксессуары для оптического кабеля
      • Трансиверы
      • Оптическая абонентская коробка
      • Оптические шнуры      
        • Пигтейлы
      • Протяжка для кабеля, мини УЗК
      • Оптические кроссы
    • Оптический кабель
      Оптический кабель
      • Волоконно-оптические кабели «Интегра Кабель»
      • Волоконно-оптические кабели «АСВ»
      • Волоконно-оптические кабели «Инкаб»
    • Бандажные крепления
      Бандажные крепления
      • Ленты монтажные нержавеющие
      • Замки для монтажной ленты
      • Инструмент для монтажной ленты
      • Стяжки стальные
      • Ленты монтажные оцинкованные
    • Кабель и аксессуары
      Кабель и аксессуары
      • Кабелеукладчики
      • Провод СИП-2
      • Кабели «витая пара» (LAN)
      • Провод СИП-3
      • Провод СИП-4
      • Кабель коаксиальный
      • Кабель для видеонаблюдения
      • Монтажные материалы
      • Кабельные муфты      
        • Кабельные муфты до 1 кВ
        • Кабельные муфты до 10 кВ
        • Кабельные муфты до 20-35 кВ
      • Металлорукав и фитинги
      • Кабель бронированный
      • Кабель интерфейсный
      • Кабель огнестойкий
      • Кабель силовой
      • Гофра трубы
    • Муфты и аксессуары для оптических кабелей
      Муфты и аксессуары для оптических кабелей
      • Оптические муфты
      • Ввод кабельный для муфт
      • Устройства для подвески муфт
      • Общие аксессуары к муфтам
    • Компоненты СКС
      Компоненты СКС
      • Площадки монтажные и бандаж
      • Горизонтальные блоки розеток PDU
      • Изоляционная лента ПВХ
      • Нейлоновые стяжки
      • Дюбель-хомуты
      • Коннекторы, проходники
      • Патч-корды
      • Патч-панели
      • Разъемы, переходники, разветвители
      • Расходные материалы
      • Розетки компьютерные, телефонные
      • Монтажный инструмент
      • Измерительное оборудование
      • Оборудование телефонии
    • Приборы для работы с оптическим кабелем
      Приборы для работы с оптическим кабелем
      • Аксессуары для сварочных аппаратов
      • Инструмент для очистки оптических разъемов
      • Оптическое измерительное оборудование
      • Сварочные аппараты
      • Оптические рефлектометры
      • Измерители оптической мощности
      • Инструмент для работы с оптическим кабелем
    • Такелажные крепления
      Такелажные крепления
    • Промышленное и наружное освещение
      Промышленное и наружное освещение
      • Аксессуары для наружного освещения
      • Муфты для уличного освещения
      • Светильники
    • Арматура ВЛИ, ВЛЗ, Волском
      Арматура ВЛИ, ВЛЗ, Волском
      • Аппаратные зажимы
      • Арматура Volscom
      • Арматура для ВЛ с СИП 0,4 кВ      
        • Арматура для СИП приоритетная
        • Арматура для СИП прочая
        • Прокалывающий зажим типа ОР
        • Устройства защиты от перенапряжений типа LVA
      • Зажимы натяжные типа НБ, НЗ, НКК, ЗНЗ
      • Звенья промежуточные, талрепы, коромысла
      • Плашечные зажимы типа ПА, ПС, ЭЗК
      • Серьги, скобы (СР, СРС, СК)
      • Специальная арматура для ВЛ и ВЛЗ 6-35 кВ      
        • Устройства защиты от атмосф.перенапр. Типа УЗД (ОАЗ)
        • Вязки спиральные
        • Прочая арматура для ВЛ и ВЛЗ 6-35 кВ
        • Устройства защиты от перенапряжений типа УЗПН и УЗАП
      • Узлы крепления типа КГП
      • Ушки
    • Распродажа
      Распродажа
    Войти
    0 Сравнение
    0 Избранное
    0 Корзина
    Оптический кабель Арматура СИП Арматура СИП Ленты монтажные Ленты монтажные Освещение Освещение Спиральные зажимы Спиральные зажимы Сцепная арматура Сцепная арматура
      • Ярославль
    • Кабинет
    • 0 Сравнение
    • 0 Избранное
    • 0 Корзина
    • Бренды
    • Компания
      • Компания
      • О компании
      • Партнерам
    • Информация
      • Информация
      • Новости
      • Статьи
      • Карта сайта
    • Помощь
      • Помощь
      • Доставка и оплата
      • Как оформить заказ
      • Способы оплаты
      • База знаний
    • Контакты
      • Контакты
      • Реквизиты
    +7 (800) 100-61-98
    • Телефоны
    • +7 (800) 100-61-98
    • Yaroslavl@td-asv.ru
    • г. Ярославль, проспект Октября, 89/1 (Пункт выдачи товара на терминале ТК «Возовоз»)
    • Пн - Пт: c 09:00 до 19:00
      Сб: c 10:00 до 14:00
      Сб - Вс: выходной
    Главная
    Каталог
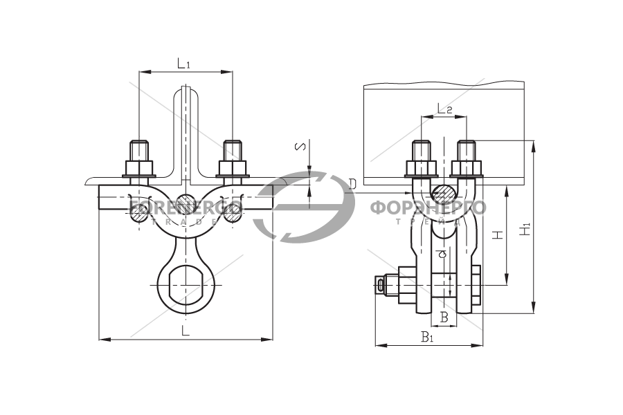
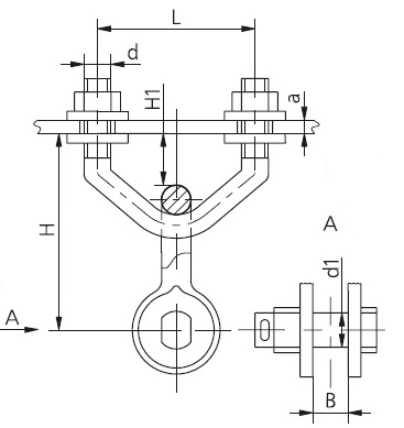
    Арматура ВЛИ, ВЛЗ, Волском
    Арматура СИП 0,4 кВ
    Оборудование СИП 6-35 кВ
    Инструмент для монтажа арматуры СИП
    Крепления для дорожных знаков
    Изоляторы
    Арматура ВОЛС
    Компоненты ВОЛС
    Оптический кабель
    Бандажные крепления
    Муфты и аксессуары для оптических кабелей
    Кабель и аксессуары
    Компоненты СКС
    Такелажные крепления
    Приборы для работы с оптическим кабелем
    Промышленное и наружное освещение
    Распродажа
    Узлы крепления типа КГП
    Арматура для ВЛ с СИП 0,4 кВ
    Специальная арматура для ВЛ и ВЛЗ 6-35 кВ
    Арматура Volscom
    Зажимы натяжные типа НБ, НЗ, НКК, ЗНЗ
    Плашечные зажимы типа ПА, ПС, ЭЗК
    Аппаратные зажимы
    Серьги, скобы (СР, СРС, СК)
    Звенья промежуточные, талрепы, коромысла
    Ушки

    Узлы крепления типа КГП

    15
    Узлы крепления типа КГП
    Сначала популярные
    С начала алфавита
    С конца алфавита
    Сначала непопулярные
    Сначала популярные
    Сначала дешевые
    Сначала дорогие
    Сначала недоступные
    Сначала доступные
    По свойству "Наличие в магазинах" (возрастание)
    По свойству "Наличие в магазинах" (убывание)
    Быстрый просмотр
    Узел крепления КГП-16-1 Узел крепления КГП-16-1
    1 883.10 ₽/шт
    +#BONUSES# на счет
    Узел крепления КГП-16-1
    Много
    Арт. КГП-16-1
    Тип
    :
    узел крепления
    Быстрый просмотр
    Узел крепления КГП-7-2В Узел крепления КГП-7-2В
    588.70 ₽/шт
    +#BONUSES# на счет
    Узел крепления КГП-7-2В
    Нет в наличии
    Арт. КГП-7-2В
    Тип
    :
    узел крепления
    Быстрый просмотр
    Узел крепления КГП-7-1 Узел крепления КГП-7-1 Узел крепления КГП-7-1
    626.80 ₽/шт
    +#BONUSES# на счет
    Узел крепления КГП-7-1
    Много
    Арт. КГП-7-1
    Тип
    :
    узел крепления
    Быстрый просмотр
    Узел крепления КГ-12-3 Узел крепления КГ-12-3 Узел крепления КГ-12-3
    740.20 ₽/шт
    +#BONUSES# на счет
    Узел крепления КГ-12-3
    Много
    Арт. КГ-12-3
    Тип
    :
    узел крепления
    Быстрый просмотр
    Узел крепления КГП-21-3 Узел крепления КГП-21-3
    931.10 ₽/шт
    +#BONUSES# на счет
    Узел крепления КГП-21-3
    Много
    Арт. КГП-21-3
    Тип
    :
    узел крепления
    Быстрый просмотр
    Узел крепления КГ-12-1 Узел крепления КГ-12-1 Узел крепления КГ-12-1
    1 632.60 ₽/шт
    +#BONUSES# на счет
    Узел крепления КГ-12-1
    Много
    Арт. КГ-12-1
    Тип
    :
    узел крепления
    Быстрый просмотр
    Узел крепления КГН-16-5 Узел крепления КГН-16-5
    3 819.20 ₽/шт
    +#BONUSES# на счет
    Узел крепления КГН-16-5
    Много
    Арт. КГН-16-5
    Тип
    :
    узел крепления
    Быстрый просмотр
    Узел крепления КГН-7-5 Узел крепления КГН-7-5
    1 918 ₽/шт
    +#BONUSES# на счет
    Узел крепления КГН-7-5
    Много
    Арт. КГН-7-5
    Тип
    :
    узел крепления
    Быстрый просмотр
    Узел крепления КГП-16-3 Узел крепления КГП-16-3
    463.20 ₽/шт
    +#BONUSES# на счет
    Узел крепления КГП-16-3
    Много
    Арт. КГП-16-3
    Тип
    :
    узел крепления
    Быстрый просмотр
    Узел крепления КГП-12-1 Узел крепления КГП-12-1
    1 217.20 ₽/шт
    +#BONUSES# на счет
    Узел крепления КГП-12-1
    Много
    Арт. КГП-12-1
    Тип
    :
    узел крепления
    Быстрый просмотр
    Узел крепления КГН-12-5 Узел крепления КГН-12-5
    3 692.40 ₽/шт
    +#BONUSES# на счет
    Узел крепления КГН-12-5
    Много
    Арт. КГН-12-5
    Тип
    :
    узел крепления
    Быстрый просмотр
    Узел крепления КГН-21-5 Узел крепления КГН-21-5
    6 516.60 ₽/шт
    +#BONUSES# на счет
    Узел крепления КГН-21-5
    Много
    Арт. КГН-21-5
    Тип
    :
    узел крепления
    Быстрый просмотр
    Узел крепления КГ-21-3 Узел крепления КГ-21-3
    1 511.70 ₽/шт
    +#BONUSES# на счет
    Узел крепления КГ-21-3
    Много
    Арт. КГ-21-3
    Тип
    :
    узел крепления
    Быстрый просмотр
    Узел крепления КГП-16-2 Узел крепления КГП-16-2 Узел крепления КГП-16-2
    1 505.70 ₽/шт
    +#BONUSES# на счет
    Узел крепления КГП-16-2
    Много
    Арт. КГП-16-2
    Тип
    :
    узел крепления
    Быстрый просмотр
    Узел крепления КГП-7-3 Узел крепления КГП-7-3 Узел крепления КГП-7-3
    321.30 ₽/шт
    +#BONUSES# на счет
    Узел крепления КГП-7-3
    Много
    Арт. КГП-7-3
    Тип
    :
    узел крепления
    Категория
    • Арматура ВЛИ, ВЛЗ, Волском
      • Аппаратные зажимы
      • Арматура Volscom
      • Арматура для ВЛ с СИП 0,4 кВ
        • Арматура для СИП приоритетная
        • Арматура для СИП прочая
        • Прокалывающий зажим типа ОР
        • Устройства защиты от перенапряжений типа LVA
      • Зажимы натяжные типа НБ, НЗ, НКК, ЗНЗ
      • Звенья промежуточные, талрепы, коромысла
      • Плашечные зажимы типа ПА, ПС, ЭЗК
      • Серьги, скобы (СР, СРС, СК)
      • Специальная арматура для ВЛ и ВЛЗ 6-35 кВ
        • Устройства защиты от атмосф.перенапр. Типа УЗД (ОАЗ)
        • Вязки спиральные
        • Прочая арматура для ВЛ и ВЛЗ 6-35 кВ
        • Устройства защиты от перенапряжений типа УЗПН и УЗАП
      • Узлы крепления типа КГП
      • Ушки
    Фильтр
    Цена
    321
    1 870
    3 419
    4 967
    6 517
    Бренд ? Мы официальный дилер представленных брендов
    Тип
    Выбрано 0 Показать0
    Показать 0
    Интернет-магазин
    Каталог
    Бренды
    Компания
    О компании
    Партнерам
    Реквизиты
    Контакты
    Информация
    Новости
    Статьи
    Карта сайта
    Помощь
    Доставка и оплата
    Как оформить заказ
    Способы оплаты
    База знаний
    Связаться с нами
    +7 (800) 100-61-98
    +7 (800) 100-61-98
    E-mail
    Yaroslavl@td-asv.ru
    Адрес
    г. Ярославль, проспект Октября, 89/1 (Пункт выдачи товара на терминале ТК «Возовоз»)
    Режим работы
    Пн - Пт: c 09:00 до 19:00
    Сб: c 10:00 до 14:00
    Сб - Вс: выходной
    Yaroslavl@td-asv.ru
    г. Ярославль, проспект Октября, 89/1 (Пункт выдачи товара на терминале ТК «Возовоз»)
    © 2026 Торговый дом «АСВ»
    Политика конфиденциальности
    Публичная оферта
    Создание сайта WRP
    Каталог 0 Корзина 0 Избранное Кабинет Контакты